JI1FGX/DU9 Amateur Radio Diary, Mindanao, Philippines, IOTA OC-130
English Japanese



Yesterdays access
Page Top [Lily Diary.
A diary of life in Mindanao.
25/12/28  Article search now available on smartphones
25/12/10  KR-500 terminals Modification
25/12/06  Installation of satellite poles
25/12/03  Installing KR-500 on Kenpro KR-400
25/11/20  Satellite tracking Sat Track - Development Version
25/11/19  Kenpro KR-400 arrived by EMS
25/11/18  3.5MHz Antenna Toroidal Core
25/11/16  WiMO V/UHF Cross Yagi
25/11/16  WSJT-X Automatic operation Ver0.1.1
25/11/09  Eyeball with DU9JJY in Cotabato
25/11/04  TNC software for APRSVer1.2
25/11/03  Indonesian satellite IO-86 event
25/10/29  Active Satellite List
25/10/24  FTDX3000 repair completed
25/10/17  Kenpro KR-500 Repair Completed
25/10/15  ARISS SSTV DIPLOMA
25/10/14  International Space Station Information
25/10/13  ST2 interface for driving AC motor rotors
25/10/12  Received APRS signals from ISS
25/10/11  TNC software for APRS manual
25/10/10  TNC software for APRSVer1.0
25/10/09  Making myopia glasses
25/10/09  ICOM IC-820H PLL UNLOCK repair
25/10/05  435MHz Cross Yagi antenna production preparation
25/10/04  Receiving SSTV from the International Space Station
25/10/03  Repair of elevation rotator KR-500
25/10/02  145MHz Cross Yagi antenna production preparation
25/10/01  received APRS signal from ISS
25/09/29  CQ WW RTTY contest
25/09/27  SSTV from the ISS
25/09/26  WARC band fan-out antenna
25/09/25  levation rotator KR-500 acquired
25/09/23 APRS TNC software Dire Wolf with Hamlib
25/09/23 TNC software direwolf
25/09/21  Russian satellite RS-44 beacon
25/09/20 Installing a radio in a car
25/09/17 DH1NGP Peter radio vehicle
25/09/13  3.5MHz SWR increased
25/09/12 3.5MHz Zepp antenna adjustment
25/09/10  Geostationary satellite QO-100
25/09/09  Preparing for the satellite station
25/09/08  DU9JJY satellite station
25/09/07  14MHz late at night
25/09/03  Mitsubishi Strada Pickup Truck
 Oil Change
25/08/18 WSJT-X Automatic operation Ver0.1.0
25/08/18  JTDX Autonomous operation Program Ver0.6.3
25/08/10  Software List
25/07/26 AutoCWType_Ver1.5.8
25/07/20  Create one month's worth of ADIF files from JTDX Ver 2.6.5
25/07/19  Japan's Radio Wave Usage Tax
25/07/13  IARU HF Contest
25/07/10 Software updates
25/07/08 DXV500ZS linear amplifier repair
25/07/07 CQ Machine Program
25/06/21 LoTW system upgrade
25/06/18 RG8 for 3.5MHz arrived
25/06/15  Time setting Ver0.5
25/06/14 Drone Habsan ZINO arrives
25/06/12 Philippine Independence Day
25/06/11 Algeria 7X2RF QSL card.
25/06/10 Translation API Program
25/06/09 DXCC150 award certificate arrived
25/06/08 AutoCWType_Ver1.4.1
25/06/07 Introducing the Shack
25/06/06 A portrait drawn by ChatGPT.
25/05/26 Windows full-width/half-width switching.
25/05/17 OK2ZAW BCD to 16 converter.
25/05/16 For 3.5MHz Zepp antenna.
Stepping motors
25/05/15 3.5MHz stepping motor design.
25/05/14 3.5MHz tuning coil installed.
25/05/11 3.5MHz antenna installation completed.
25/05/03 JTDX Autonomous Driving Program Ver0.4.3.
25/04/26 Drone Habsan ZINO.
25/04/25 Time setting Ver0.3.
25/04/24 AutoCWType_Ver1.3.
25/04/23 Preparing for FTDX3000 LCD repair.
25/04/22 Installation plan for 3.5MHz Zepp antenna.
25/04/21 AutoCWType_Ver1.1.
25/04/20 10,14MHz antenna installation completed.
25/04/19 JTDX Autonomous Driving Program Ver0.4.1.
25/04/19 14MHz antenna pole installed.
25/04/18 ThinkPad X390 repair completed.
25/04/17 Search is now possible.
25/04/15 Preparing the 10MHz dipole.
25/04/12 Hexbeam Part8.
25/04/06 My ThinkPad X390 is broken.
25/04/05. Time setting program.
25/03/31 JTDX Autonomous Driving Program.
25/03/30 Automatic log sending from CWType to Hamlog.
25/03/21 Hexbeam Part 7.
25/03/20 FreeDV Part 3 First QSO.
25/03/18 FreeDV Part 2 QSO in the shack.
25/03/16 Hexbeam Part 6.
25/03/15 Install FreeDV Part1.
25/03/09 Hexbeam Part5.
25/03/07 Hexbeam Part 4.
25/03/05 28MHz antenna modification
25/03/01 FTDX3000 is broken!
25/02/28 Pileup at 50MHz FT8.
25/02/28 DXV500ZS linear amplifier repair.
25/02/27 Tower pipe rebuilding plan.
25/02/26 Direction to Japan from Ozamiz.
25/02/26 28MHz is not available.
25/02/23 DXV500ZS linear amplifier repair.
25/02/22 Hexbeam Part 3
25/02/21 Hexbeam Part 2
25/02/18 28MHz antenna construction.
25/02/17 18,24MHz antenna height construction.
25/02/16 Z26NS Cosovo.
25/02/14 21MHz FT8
25/02/12 7,21MHz antenna repair.
25/02/08 Operating CW at 21MHz.
25/02/05 DXV500ZS linear amplifier failure.
25/01/19 Input Director.
25/01/14 Temporary license renewal.
FTDX3000 repair completed (2025/10/24)
YAESU FTDX3000 100W. This is the main unit in my shack.
However, it has a problem where it cannot adjust the power/proc.
I can adjust the microphone level on the coaxial cable, but I can't adjust it by turning the outer knob.

In SSB and FT8, power can be adjusted at the MIC level,
but in CW, full power is output, so a linear amplifier cannot be used.

A video of my daughter Jolyna explaining the breakdown.

I asked a YAESU distributor in the Philippines for a quote and they said it would cost $450 plus shipping to and from Manila.
I can't ask casually

On the FTDX3000 parts request.
The cost of the CNTL UNIT Php20,500.00
Cost for installation is Php5,000.00
Regarding parts requests for the FTDX3000.
The cost of a CNTL unit is Php20,500.00.
The installation cost is Php5,000.00.

The USD is $450

FTDX3000 control unit (CNTL Unit)
I previously suspected that the volume unit was broken, so I ordered a replacement from a YAESU distributor in Manila.
However, the symptoms did not improve
So I decided to try and fix it myself.

First, find the service manual
I searched on GoogleVR7ED has uploaded the service manual.I was doing that.
However, even when printed on A4 size paper, the text is too small to read.
I enlarged the PDF file to the maximum of 500 times and it was finally readable.
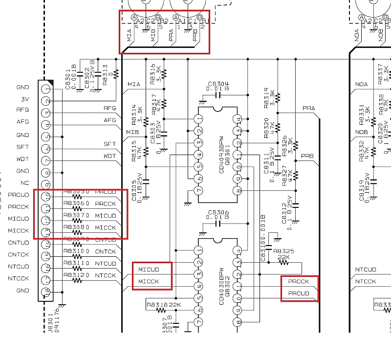
Control unit (CNTL Unit) CPU R5F61663FPU (Renesas H8SX/1663 series)
The signal enclosed in the red frame is sent from the rotary encoder of the volume unit (VR-A-UNIT).

Microphone level signals are MICUD and MICCK, and power adjustment signals are PRCUD and PRCCK
Pulses are visible on the rotary encoders MIA, MIB, PRA, and PRB of the volume unit (VR-A-UNIT).
Pulses are also output from the flat cable connectors PRCUD (10PIN), PRCCK (11PIN), MICUD (12PIN), and MICCK (13PIN).

However, the flat cable on the receiving side of the control unit (CNTL UNIT)...
No pulses can be detected on PRCUD (9PIN) and PRCCK (8PIN) with connector J3010VR.
To begin with, I didn't know the pin layout of this connector.
It took me a day and a half to troubleshoot the problem while consulting ChatGPT.
ChatGPT will make various suggestions, such as the buffer that receives the rotary encoder signal or the pull-up resistor going bad.
I used my reading glasses + magnifying glass to follow the pattern.
I then found that the signal from the ribbon cable was directly input to the CPU R5F61663FPU.
A tester showed that there was continuity.
MICUD receives pulses from the Micro Tarley Encoder
But there is no pulse in PRCUD.

At this point I suspected the J3010VR connector.
So I bought some enamel wire and tried to wire directly from the VR-A-UNIT to the CPU.

Howeverpackage: 144-pin LQFP (Low Profile Quad Flat Package)Pin Pitch: 0.50 mm.of.
It was extremely difficult to solder directly to the CPU pins.
I failed many times and sometimes even the main VFO stopped working due to a tiny solder bridge.
I almost gave up many times along the way because I ended up bridging the pins with solder.

After struggling with the solder bridge for about three hours, I finally got it to work properly.
Next is the cloudy LCD repair.
I have already purchased a polarizing sheet, but I am worried that it will damage the LCD screen.
I use a desk lamp to brighten my work and a magnifying glass to work with.
  
The oscilloscope that was extremely useful in this repair was the Tektronix 2445A 150MHz 4ch.
But it's heavy and big, and it's a 45-year-old Ohiroscope, so it's very old and it's about to break.
Tektronix 2445A.
Release date: circa 1985.
Discontinued: Early 1990s (around 1992)
 
Model name. Tektronix 2445A.
Bandwidth. 150 MHz.
Number of channels. 4 channels (CH4 is used exclusively for triggering or as an alternative input)
Sampling method. Analog (no digital memory)
Manufacturer: Tektronix (Oregon, USA)
Country of manufacture. USA (early model) - Later models were partially produced in Mexico.

 
You'll want a modern LCD oscilloscope.
8,965 pesos (USD $157.6) on Shopee, a Philippine online store
Well, I'll hold off on buying it while the Tektronix 2445A is still working.
 
October 17, 2025.   October 29, 2025.